



|
主要应用领域/Typical Applications |
|
工业自动化 Industrial automation 航空航天 Aerospace field 医疗器械 Medical device
|
|
技术参数/Technical Parameter |
||
|
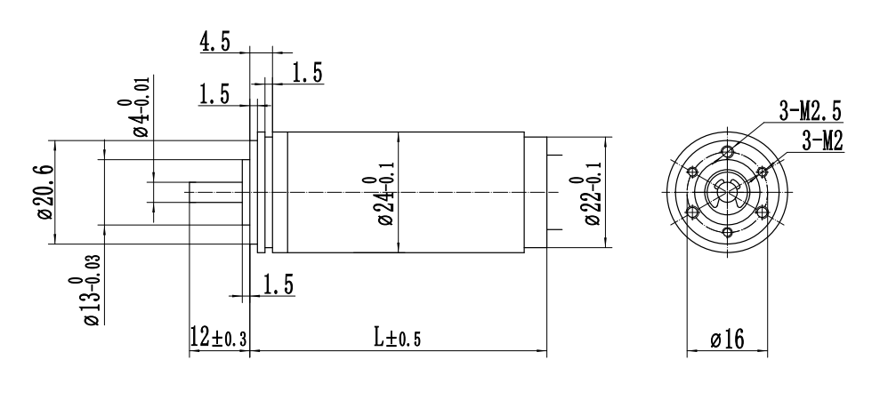
减速器外径 Gearbox Diameter |
mm |
24 |
|
输出端轴承 Bearing of Shaft |
-- |
滚珠轴承 Ball Bearing |
|
径向间隙 Radial Clearance |
mm |
≤0.1 |
|
轴向间隙 Axial Clearance |
mm |
≤0.2 |
|
推荐输入转速 Permission Input Speed |
rpm |
≤6,000 |
|
推荐温度范围 Recommended Temperature Range |
℃ |
-20 to +80 |
|
允许安装力 Permission Installation Force |
N |
≤50 |
|
轴向负载 Axial Load |
N |
≤5 |
|
径向负载 Radial Load |
N |
≤5 |
|
产品信息/Product Information |
|||||||||
|
级数 Stage |
2 |
3 |
4 |
5 |
6 |
7 |
8 |
|
|
|
速比 Ratio |
3.19 |
10.44 |
34.15 |
111.78 |
365.82 |
1197 |
3918 |
|
|
|
5.84 |
19.13 |
62.6 |
204.86 |
670.44 |
2194 |
7181 |
|
||
|
|
|
|
|
|
|
|
|
||
|
|
|
|
|
|
|
|
|
||
|
其他速比资料请向量能公司内部索取。Please contact us for more ratios information. |
|||||||||
|
长度 L(组合MR2225电机) |
mm |
46.6 |
50.2 |
53.8 |
57.4 |
61.0 |
64.6 |
68.2 |
|
|
连续输出扭矩 Torque |
mNm |
100 |
100 |
100 |
100 |
100 |
100 |
100 |
|
|
堵转扭矩 Stall Torque |
mNm |
300 |
300 |
300 |
300 |
300 |
300 |
300 |
|
|
最大效率 Max Efficiency |
% |
90 |
85 |
80 |
72 |
65 |
58 |
52 |
|
|
重量 Weight |
g |
98 |
106 |
115 |
122 |
130 |
139 |
149 |
|
|
空载回差No-Load Backlash |
° |
3 |
3 |
3 |
3 |
3 |
3 |
3 |
|